本文首发于公众号【调皮连续波】,其他平台为自动同步,内容若不全或乱码,请前往公众号阅读。关注调皮哥,和大家一起学习雷达技术!
【正文】
1、毫米波雷达介绍
雷达(RADAR)是“无线电探测和测距(Radio Detection and Ranging)”的缩写,这意味着可以通过电磁波检测和估计距离,这就是雷达的 信号检检测与参数估计。 毫米波波是位于红 外光波和微波频段之间的电磁波,对不同类别的毫米波雷达应用了不同的分类方法。
毫米波雷达根据雷达工作系统的性质可分为 脉冲雷达和连续波雷达 。
连续波雷达的工作模式又分为恒频连续波(CW)、频移键控(FSK)、相移键控(PSK)、调频连续波(FMCW)、快速调频连续波(FCM-FMCW)等方法。
根据平台分类,可分为车载毫米波雷达、舰载毫米波雷达、机载毫米波雷达、星载毫米波雷达等。
根据雷达测距的不同要求,毫米波雷达可分为远程雷达(LRR)、中程雷达(MRR)和短程雷达(SRR)。
此外,根据应用领域,毫米波雷达可分为制导雷达、火控雷达、目标探测雷达、毫米波地球观测雷达、毫米波接近探测雷达等。
近年来,随着毫米波设备的进步,电路设计技术和天线技术等技术也随着时间的推移而大大成熟。毫米波雷达技术在无人系统环境传感、雷达探测、导弹制导、卫星遥感、电子对抗等相关领域也随着应用的增加而取得进展。
毫米波雷达具有 频率高、波长短、频段宽、体积小、重量轻、隐蔽性和机动性好 等特点,在军事和国防建设中发挥着重要作用,在国民经济建设中也得到了广泛采用。毫米波雷达具有穿透 雾霾、雾气、烟雾、小雨、小雪 的能力,性能比厘米波雷达好,且具有抗噪声干扰能力和多径效应,可以充分利用其实现精密检测和精密跟踪,目前已被主要发达国家开发为军事项目。
在民用方面,毫米波是X射线(辐射危害)的更好替代品,可以对隐藏在衣服下面的物体实现更好的图像检测效果,从而加强安全性,至于毫米波对人体有无危害,国内外还没有相关的可靠的实验数据。对于气象探测,具有高时空分辨率的毫米波雷达可以更准确地反映云的垂直和水平结构,比普通气象雷达更适合监测云的变化,使其成为三维精细结构云探测的重要工具。
同时,毫米波雷达是智能驾驶系统中用于环境传感不可或缺的传感器,具有防撞、自动泊车、行人检测等诸多功能,这对于减少交通事故、保护行人和乘客的生命财产安全具有重要意义。
2、毫米波雷达概念和特性
毫米波雷达是一种使用毫米波频段的电磁波探测雷达,毫米波的频率范围在 30-300 GHz 之间,波长在 1-10 mm之间。
IEEE发布了30-300 GHz频段作为毫米波的标准频率范围,并将27-40 GHz频段命名为Ka频段,40-60 GHz频段命名为U频段,75-110 GHz频段为W频段,110-170 GHz为D频段。Ka波段具有带宽宽、干扰小、器件体积小等特点,故Ka波段卫星通信系统可以为高速卫星通信、千兆级宽带数字传输、高清电视(HDTV)、卫星新闻采集(SNG)、VSAT服务、直接到户(DTH)服务和个人卫星通信提供一种新颖的方法。
Ka波段的缺点是雨量衰减大,对装置和工艺要求广泛。在Ka波段信号中,Ka用户终端的天线尺寸主要不受天线增益的限制,而是受到抑制其他系统干扰的能力的限制(图2.1和2.2)。
图2.1 电磁波波段
图2.2 毫米波不同频段大气衰减趋势
电磁波大气衰减的本质:
大气中的氧气和水蒸气是产生雷达电磁波衰减的主要原因,一部分照射到这些气体微粒上的电磁波能量被他们吸收后,变成热能而损耗。当工作波长短于10cm(工作频率高于3GHz)时必须考虑大气衰减。如图2.2所示,水蒸气的衰减谐振峰在22.4GHz 和大约184GHz;而氧的衰减谐振峰在60GHz和118GHz,当工作频率低于1GHz后,大气衰减可以忽略,而当工作频率高于10GHz时,频率越高,大气衰减越严重。
与微波相比,毫米波波 长短,频率高,带宽宽,多普勒频移大 。短波长导致小电子元件封装尺寸和系统需要紧凑,因此重量轻,但制造精度要求严格,因此成本高。
对于相同直径的天线,毫米波更容易实现 高增益的窄波束, 这增强了多雷达系统的目标识别能力,并产生了较小的地面杂波干扰和多径效应。此外,传播线性度好,衍射小,可以减少对其他通信设备的干扰,可用带宽宽,可以提高信息传输速率。
在雷达系统中,窄脉冲或宽带FM信号可用于研究目标的精细特性。由于通信系统中传输容量较大,提高了精确跟踪雷达和目标识别雷达的距离分辨率,宽带扩频功能可用于抑制多径效应和地面杂波。
此外,丰富的频谱资源和较大的多普勒频移可以提高对低速运动物体的检测和识别能力 。与红外和可见光相比,毫米波受恶劣天气条件和灰尘、烟雾等现场条件的影响较小,可以全天候工作。
目前应用研究集中在 35、45、94、140、220GHz 等多个窗口频率,可以实现中程多通道通信和电视图像传输,由于其传输速率高,有利于扩频通信、跳频通信等低截点概率通信,同时具有三个吸收峰( 60、120、200 GHz ),可用于实现近距离雷达、安全通信和卫星通信。
3、毫米波的雷达方程
当雷达发射的电磁波接触目标时会被反射,传输的功率与目标的 大小、方向、物理形状和材料 有关,这些因素组合起来表示为雷达截面积(RCS),用
表示为目标发射功率与目标接收功率之比:
目标的反射功率Pr也辐射到周围环境,如果天线的有效接收孔径为Ae,则天线接收的反射功率的大小可以表示为:
由于天线的有效接收孔径Ae与天线增益有以下关系:
接收目标反射功率的天线可以重写为:
上面的公式体现了目标距离R和雷达从目标接收的功率PDr之间的关系。假设雷达具有最小可探测信号功率Smin,则可达到的雷达最远探测距离表示为:
可以看出,对于最远探测距离要加倍,在其余参数不变的正常情况下,雷达的发射功率需要提高16倍,表明雷达的探测范围与雷达的发射功率密切相关。
4、毫米波雷达分析
通常,雷达系统会主动发射电磁波信号,电磁波信号在遇到物体后形成反射回波,利用反射回波的信息,雷达可以检测目标并测量其坐标。根据雷达工作系统的不同,可分为 脉冲雷达系统** 和连续波系统雷达** 。脉冲系统雷达间歇性发射电磁波,使用发射波形的间歇波雷达将接收目标回波。另一方面,连续波系统雷达连续发射电磁波,雷达在发射电磁波的同时接收目标的回波。
4.1 脉冲雷达系统
脉冲雷达周期性地发出波形。波形发射周期称为脉冲接收间隔(PRI)。在脉冲重复周期中,电磁波信号发射时间与脉冲重复周期的比值称为占空比。对于脉冲雷达,由于实际设备电平,占空比通常小于20%。PRI的大小决定了脉冲雷达的无模糊距离范围,PRI 越大,模糊测距距离越大,所以应该尽可能提高PRI,降低PRF(PRF=1/PRI)。
脉冲信号可分为三种形式: 非相干脉冲信号、相干脉冲信号和参数可变相位相干脉冲信号。
相干脉冲是指脉冲之间的初始相位是确定性的,即第一个脉冲的初始相位可能是随机的,但后续脉冲与第一个脉冲之间的相位是确定性的,这构成了提取多普勒信息组的基础。
非相干脉冲意味着脉冲之间的初始相位是随机的,彼此不相关。因此,使用非相干信号的雷达只能利用目标回波的振幅来检测目标,这限制了雷达的性能。目前,大多数雷达信号处理利用信号的幅值和相位,雷达采用全相干系统,发射信号为相干脉冲信号。
脉冲毫米波雷达的距离测距原理是通过向目标发射单个或一系列非常窄的电磁波脉冲,然后测量发射的电磁波传播到目标并返回接收器所需的时间Δt,然后根据测量的时间来计算距离R,如图4.1所示。
图4.1 雷达测距原理
目标距离:
在上述雷达测距原理中,接收到的回波和发射的波形之间存在延迟。由于周期性,对于回波2,无法判断是脉冲1还是脉冲2产生,从而产生距离模糊,模糊目标距离问题可以通过变周期脉冲信号来解决(参差重频)。
参数可变周期脉冲信号是脉冲重复周期为 ,也称为L交错脉冲序列,如图4.2所示。
图4.2 参数可变周期脉冲信号
若 和 作为混合码,通过分析变周期脉冲信号的模糊函数图求解距离和速度。
通常,脉冲雷达发射天线和接收天线是共用的,在发射波形期间,雷达不接收回波,但在发射间隔内接收回波,然后对其进行处理。由于雷达在发射波形时无法接收信号,因此雷达具有一定的 盲距 。此外,采用脉冲法的毫米波雷达需要在短时间内传输大功率脉冲信号,控制雷达压控振荡器的过脉冲信号瞬间从低频跳到高频,在对回波信号进行放大之前,需要将其与发射信号严格隔离,另外还存在窄脉冲波形的可实现性和收发器的切换时间等问题。因此,脉冲雷达很难探测到近距离目标,如很难在100米内实现目标检测。
脉冲雷达利用PRI的发射波形和接收波形之间的时间差进行测距处理。距离分辨率与发射脉冲宽度有关,距离分辨率越高,需要的发射脉冲宽度越窄。例如,如果距离分辨率为1 m,则发射脉冲宽度要求为6.67 ns,接收器带宽为150 MHz,但产生6.67 ns窄脉冲很难实现,而接收器的150 MHz带宽意味着系统还需要更高的A/D采样速率, 因此工程实施成本更高。
4.2 脉冲压缩
脉冲压缩是指发射宽脉冲,然后处理回波脉冲以获得窄脉冲的过程。因此,脉冲压缩雷达既能达到保持窄脉冲在高距离分辨率下的目标,又能保持宽脉冲的强大探测能力。另一方面,脉冲压缩系统结构复杂,会产生旁瓣。
脉冲压缩的实施需要满足以下条件:
(1)发射脉冲必须具有非线性相谱,或者其脉冲宽度与有效频谱宽度的乘积必须大于1;
(2)接收器必须具有压缩网络,其相频特性应与发射信号相位共轭。
基于上述要求,可以构建出如图4.3所示的理想脉冲压缩系统。
图4.3 理想的脉冲压缩系统
在理想的脉冲压缩系统模型中,假设在波传播和目标发射过程中,以及在微波信道、发射和接收天线和压缩网络中的传输过程中,信号没有失真,增益为1。因此,发射的脉冲信号也是接收机压缩网络输入端的目标回波脉冲信号,其信号宽度为
,频谱给出如下:
压缩网络的频率特性由
,公式为:
在公式中,K是一个比例常数,它归一化了幅频特性,是压缩网络的固定延迟。压缩后,输出信号的包络宽度被压缩为
,脉冲压缩的输出表达式为:
有两种方法可以描述脉冲压缩雷达的操作,一种是基于模糊函数调制宽脉冲以增加其带宽,接收时调制的宽脉冲信号通过匹配滤波器,距离分辨率可以通过分析模糊图像获得。恒定幅度线性调频信号是广泛使用的脉冲压缩波形的一个例子,如图4.4所示。
图4.4 时宽为T和带宽B的单个线性调频脉冲的二维模糊图像
描述脉冲压缩的另一种方法是Chirp(啁啾,zhōu jiū)脉冲压缩,如图4.5所示。调制宽脉冲可以被认为是沿着脉冲的不同部分设置不同的相位或频率“标志”。例如,线性调频信号的频率变化沿脉冲分布,使得脉冲的每个段对应于不同的频率。调制脉冲将通过色散延迟块(声表面波器件,用换能器将电磁波能转换成声波,使声波在基体的表面传播,这种表面波称为瑞利波,具有非色散的性质,但只要把叉指换能器间隔按一定规律变化,就可制成色散延迟线),色散延迟块的延迟时间是频率的函数,每个段的脉冲会经历不同的延迟。因此,可以加速脉冲的下降沿,而减速上升沿以完成脉冲压缩。
图4.5 线性调频脉冲压缩
4.3 连续波雷达系统
连续波雷达系统可分为单频连续波、移频键控、多进制数字频率调制、调频连续波和Chirp序列。
(1)调频连续波
调频连续波(FMCW)毫米波雷达使用调频来传输信号。常用的调频波包括 三角波、锯齿波和正弦波 ,当三角波或锯齿波用于频率调制时,这被称为线性调频连续波(LFMCW)。
对目标对象处于相对运动状态时的情况进行分析,当接收到的信号从移动目标反射时,回波信号包括由于目标运动引起的多普勒频移 ,三角波上升沿和下降沿之间的中频信号如图4.6所示。
图4.6 FMCW雷达运动目标回波信号
FMCW雷达运动目标回波信号可表示为:
在上述两个方程中 是目标物体相对静止时中频信号的频率, 是多普勒频移。因此, 可以表示如下:
根据多普勒原理,多普勒频移
可按如下方式得到:
在上式中,f是发射信号的中心频率,v是目标的相对运动速度。v的符号由目标的相对运动方向决定。通常,当目标靠近雷达系统时,v 为正值,否则为负值。上述等式可以进一步表示如下:
虽然,上述两个方程是从目标的相对运动推导出来的,但它们同样适用于相对静止目标。因此,在实际应用中,无论目标处于相对运动还是相对静止状态,都可以通过两个方程计算出目标的距离和速度,只需获得调制三角波上升沿和下降沿之间的中频信号的频率,这就形成了毫米波雷达测距的原理。
(2)单频连续波
单频连续波(CW)系统使用目标回波信号的多普勒频移来测量速度,多普勒频移现象发生在不同物体之间存在相对运动的条件下。当其中一个物体发射一定频率的电磁波时,接收到的电磁波的频率会因相对速度而移动。相对运动引起的多普勒频移公式如下:
反过来,目标物体相对于雷达传感器的速度 可以通过以下公式计算:
其中, 和 分别是雷达传感器中心位置与物体等效中心位置之间的俯仰和水平角 是参考频率。
从上述两个方程中可以知道当雷达系统以单频多普勒模式运行时,它只能用于测量相对于雷达系统经历相对运动的物体的速度,但无法获取距离信息。
(3)频移键控连续波
频移键控(FSK)系统可以利用两个同时接收的波的相位差来测量距离。同时,多普勒频移可用于测量速度。在此模式下,目标对象的距离 R 和速度
给出如下:
其中, 是相位差, 是频率间隔, 是载频。频率间隔fstep和参考频率源的频率分辨率(也称为最小频率间隔)显著相关,是频率源的重要参数指标。如果频率源的频率分辨率太大,将导致在频移键控模式下距离测量受到限制。此外,如果频率间隔不稳定,这将导致fstep不准确,并显著降低测量精度。
(4)多进制数字频率调制
多进制数字频率调制(MFSK)是FSK方法的推广,它使用不同的载波频率来表示不同类型的数字信息。MFSK发射和接收波形如图4.7所示,一个发射信号周期包括A和B,它们是两个相互交替和逐步递增的线性调制信号。
图4.7 MFSK发送和接收波形
图4.7显示了表示发射信号的实线和表示接收信号的虚线,其中, 是多频移键控信号的发射信号周期,定义为 ,其中N是步进数, 是每个频移键控的步进频率值, 是两个波形A和B之间的频率差, 是波形的总带宽, 是频率差; 是基带频率。
波形测量雷达理论是根据MFSK波形特性推导和分析的,设N个频率用于发射信号,表示如下:
则接收信号可以表示为:
中频信号根据混频器理论原理进行简化,其中发射和接收信号混频,给出如下:
其中, 便于在N个中频信号上进行FFT变换,并且可以进一步得到:
从上式中,当 ,且X(k)达到峰值时,从中频信号中可得到为:
仅通过计算 和 ,然后使用这两个方程就可以得到目标距离和速度。根据MFSK雷达测量系统的原理,注意到 和 用于查找目标距离和速度的是一对一关系,不会发生交叉锯齿,故MFSK系统可以有效避免虚假目标的发生。
5、Chirp序列
图5.1显示了一个线性调频序列,该序列由相同频率调制的连续波形的L个组成,由于每个序列段的频率调制周期 较小,单个Chirp序列接收到的基带信号具有较大的带宽,对于单个FM序列,可以通过FFT获得差频fB。
图45.1 Chirp序列
其中,包含目标距离R和多普勒频率fD,而且频率差fB,多普勒频率fD和相位
也包含在接收信号的基带频带中,基带信号可以用以下公式表示:
基带信号经过采样和FFT后,得到K个相邻的距离门,表示如下。
其中,K是离散基带信号的采样点数,m是差频序列号。接收信号的每个Chirp序列都包含差频fB,对L个Chirp执行FFT,处理后的数据将放置在二维矩阵中,如图5.1所示。
图5.2 L个Chirp信号的FFT
多普勒频率fD可以通过对距离门执行二维FFT得到,即对上图每一行执行FFT,FFT的长度为L。
其中,n表示离散多普勒频率的索引。通过差频fB和多普勒频率fD,对于不同的目标的距离和速度信息可以通过下面公式得到:
6、MIMO毫米波雷达系统
多输入多输出(MIMO)技术是指通过使用多个发射和接收天线来发送和接收信号,其中信号可以通过多个天线发送或接收。
MIMO雷达具有M个发射机和N个接收机,基于横截面统计特性,当接收多个阵元时,可以将其视为常数,因此这提高了系统估计目标参数的性能。由于MIMO雷达可以同时生成或发射M个正交传输波形并接收或处理N个接收信号,因此利用 波形分集技术将虚拟阵列相乘 ,相当于增加了接收机的孔径。与传统雷达相比,MIMO雷达可以实现更高的角分辨率和空间分辨率。然而,MIMO雷达系统还需要大量的发射器和接收器,因此实际应用成本很高。
图6.1 中描述的 MIMO 阵列由四个等间距的发射天线组成,通过配对发射和接收天线位置获得的虚拟阵列是一个均匀的线性阵列,如图6.2所示。
图6.1 MIMO雷达天线阵列
图6.2 虚拟阵列
6.1 时分复用(TDMA-MIMO)
MIMO雷达系统采用TDM的工作机构,收发器与发射接收阵列天线单元之间的切换,通过 高速电子开关 ,可以减少MIMO雷达天线的数量和复杂度,从而降低成本,获得比传统雷达更好的到达方向(DOA)和角分辨率或横向分辨率。
考虑一个采用TDM工作模式的MIMO雷达,发射天线数量为M,接收天线数量为N个,每个接收天线处的接收信号被划分为M个虚拟信号。当接收天线数量为N时,虚拟信号的总数为MN,每个虚拟信号对应于匹配对中的特定发射器m和接收器n,根据单个天线系统进行独立处理。如图6.3所示,每个发射天线可以在很短的时间内专门占据一个雷达信道。不同的颜色表示不同发射天线的每个时隙 的持续时间。在每个接收天线上,接收信号以 的速率采样。这些信号与发射信号具有相同的TDM结构,可以直接识别相应的发射天线。
图6.3 时分复用模式下的雷达信号波形
信号处理结构最终得到一个二维复数距离-多普勒矩阵, ,其中 ,,, ,处理过程如图6.4所示。
图6.4 M=N=4时每个虚拟信号的信号处理结果为距离-多普勒矩阵
但是,由于天线的空间分布,获得的M*N矩阵大小相同,但相位不同:
其中, 是虚拟阵元的第k个坐标, 是特定的参考相位,并且对所有矩阵相等。上述二维矩阵是具有高方位角分辨率的波束成形过程的基础,可以通过在矩阵 上应用频谱分析来实现,如图6.5所示。得到的结果是一个三维矩阵 其中还包括多个目标的目标范围、径向速度和方位角信息。
图6.5 波束形成
6.2 波束形成
波束成形是一种经典的阵列信号处理技术,可以看作是 线性空间过滤。
具有第N个天线阵列,该阵列接收来自固定方向的信号,由于天线阵元在空间中的几何位置不同,射频信号到达每个阵元的延迟时间也不同,导致不同接收信号之间存在一定的相位差。 但如果假设复基带信号是窄带信号,则可以认为基带信号在如此短的时间差下是恒定的。
如果已知入射信号的方向,则可以在对信号求和之前通过相移或延迟单元补偿RF信号的相移,则整个图案将在入射信号的方向上呈现最大相位阵列,这种方法被称为常规波束形成。
如果复基带信号不是窄带信号,则基带信号也可能在接收RF信号的相对延迟的时间间隔内发生变化。因此,每个天线接收不同的复基带信号,在这种情况下,必须采用 窄带波束成形和时域滤波宽带波束成形结合 的技术。
波束成形技术也可用于减少由于信号的多径传播而导致的延迟,为此,发射端或接收端使用滤波形成技术来调整其波束模式,使得在远端反射器的主要传播路径方向上没有波束,消除在接收信号中具有过大延迟的信号分量。
MIMO系统可以同时在收发器的两端使用,以接收和发送所形成的波束。图6.6显示了 点对点 MIMO波束形成收发器系统的原理图。在MIMO系统中,根据波束成形实现,可分为模拟波束成形(ABF)和数字波束成形(DBF)。 ABF通过射频域中的模拟移相器实现,而DBF通过基带中的数字信号处理技术实现 。波束成形权重矢量采集模式可分为码本波束成形(波束切换)和自适应波束成形。
图6.6 点对点MIMO波束成形
7、毫米波雷达相关技术
7.1 毫米波雷达信号处理技术
雷达信号处理技术是雷达系统实现 目标检测和参数估计 的关键技术之一。雷达传感器的处理环境和目标特性与传统军用雷达不同,雷达探测环境很复杂,存在树木和建筑物的干扰,目标RCS相对较大,运动特性相对规则,基于这些特点,有必要有针对性地研究雷达信号处理技术。首先,它可以提高雷达在杂波背景中探测目标的能力;其次,它可以提高雷达对目标参数的估计精度。下面介绍雷达信号处理的两种关键技术,即CFAR和MTD相干累加处理技术。
(1)CFAR
雷达接收到的信号不仅包括目标信号,还包括各种 噪声、杂波和干扰信号 。使用固定阈值进行检测时,如果阈值设置得很高,则会导致误报率较低,因此可能会发生大量漏报。另一方面,当阈值设置得较低时,尽管检测到的概率增加,但由于噪声,杂波和干扰,可能会出现许多误报。在无人系统中,一般来说,雷达需要探测的目标总是受到地面物体、雨雪、波杂波和接收器 内部噪声 造成的干扰的影响。
在检测目标存在的同时,如果在不稳定的杂波环境下固定阈值,则当背景杂波的平均功率增加时,误报的概率会增加。这导致计算机处理能力饱和,从而影响雷达系统的正常运行。例如,在无人驾驶车辆系统的情况下,如图7.1 所示,由于 雪面的反射率和粗糙度与正常路面不同 ,导致 雪杂波干扰 ,误报率增加。
图7.1 雪杂波干扰无人驾驶汽车
因此,在 现代雷达信号处理 中,为了提高雷达的性能,首先需要提高探测器输入端的 信噪比和信干比, 措施是降低接收器处的噪声值,并采取各种措施来抑制杂波和抗干扰。
然而,尽管采用了上述方法,检测器输入端仍然存在噪声、杂波和干扰分量。由于接收机内部噪声水平受模拟器件的影响而缓慢变化,杂波和干扰残余在空间上也是时变的、不均匀分布的,因此仍然需要各种恒定的虚警方法来保证雷达信号检测保持恒定的虚警特性(CFAR)。
CFAR方法使用 自适应阈值 而不是固定阈值,该自适应阈值可以根据背景噪声、杂波和干扰进行调整。如果背景噪声、杂波和干扰较大,则提高自适应阈值,如果背景噪声、杂波和干扰较小,则降低自适应阈值,以确保误报概率恒定。
接收器的内部噪声属于高斯白噪声。通过包络检测器后,噪声电压服从瑞利分布,其概率密度函数为:
在公式中,b 是瑞利系数, 大小与噪声x的平均值 成正比,给出如下:
从上式可以看出, 是 b 的函数,b 与所表示噪声的强度 有关。因此,如果在白噪声背景中以固定阈值检测到信号,则误报概率将随噪声强度而变化,如图7.2所示。
图7.2 白噪声背景下的固定阈值
如果使用 代替公式中的x,则噪声电压 x 将被归一化,则概率密度函数 y 为:
由于 与噪声水平无关,因此,即使采用固定噪声阈值检测背景信号,误报概率也不会随输入噪声的强度而变化,故可以实现持续的误报效果。基于该原理,可以实现白噪声背景下的恒定虚警检测器,如图7.2所示。
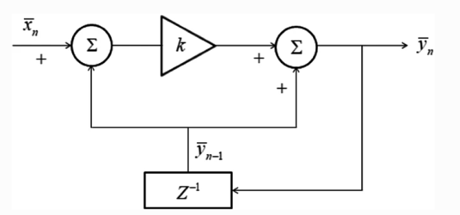
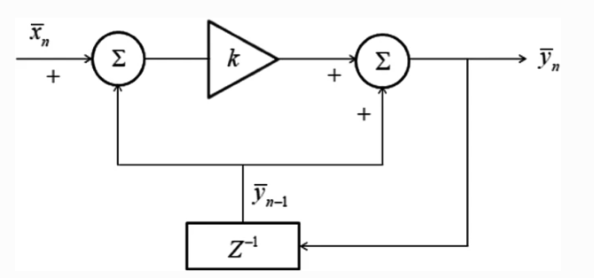
在图7.2中,应进行采样脉冲以计算雷达静止期间采样数据的平均估计值,因为该数据代表噪声,通常不包含目标和杂波信号。此外,均值估计值 的计算需要大量的噪声数据样本,且单个雷达空闲周期的噪声数据样本数量有限,因此经常使用多个雷达重复周期的空闲周期数据样本进行计算。为了简化计算, 相邻重复周期之间的平均估计结果可以通过一阶递归滤波器进行平滑处理 ,如图 7.3 所示。
图7.3 白噪声背景下的CFAR
在图 7.4 中, 表示交叉发射周期延迟, 表示第 n 次重复静止周期内所有雷达数据样本的平均值, 表示递归滤波器的输出,其给出如下:
图7.4 一阶递归滤波器
图7.3显示,对于具有白噪声背景的CFAR检测器,它计算输入噪声的平均估计值,然后通过归一化输入信号x进行检测。此时,检测阈值可以是固定阈值。为了避免输入信号x归一化,检测阈值 可以根据平均估计的大小 进行调整,以获得CFAR检测效果。
递归滤波器从输入信号x 输出噪声的平均估计值 ,然后乘以阈值乘数 K,得到自适应阈值 。阈值乘数K 是一个标量,大小应根据需要根据误报概率的大小确定。
如果参考单元中出现其他目标信号(干扰目标),将导致恒定误报探测器的检测性能下降。为了提高CFAR探测器的抗干扰能力,提出了有序统计恒虚警率(OS-CFAR),其配置如图7.5所示。
图7.5 OS-CFAR
由于篇幅和时间关系,本期暂时结束,后面还有部分内容,留待下期继续开展。
【本期结束】
往期文章:
雷达算法 | 车载毫米波雷达DOA估计综述(附MATLAB算法仿真)
精选论文 | Capon算法与MUSIC算法性能的比较与分析
TI雷达 | 适用于汽车4D成像雷达的双器件毫米波级联参考设计
目前我的工作经验尚浅,还有很多内容需要学习,如果还有没有说到或者不全面的地方,还请指正,感谢大家。
喜欢本文,可以转发朋友圈~,关注【调皮连续波】,和1.1万+人一起学雷达!
